产品快速通道

台湾传仕立式摆线马达

- 产品参数:
- 产品型号: null
- 额定功率:null
- 电压:null
- 转速/极数:null
- 减速比:null
- 安装方式:null
详细参数
台湾传仕提供了齐全的减速机规格及减速机比数,产品系列有摆线马达(或摆线减速机),无段减速机等,此系列立式摆线马达可以取代传统的浙开线齿轮及齿轮减速机.
台湾传仕立式摆线马达减速机采用滚动啮合原理台湾传仕减速机,所以减少了滑动磨擦及振动的现象,在扭矩的传送中,由多个齿来承受。其效率一段时可达92%以上台湾传仕减速机,二段时效率为85%以上(一段比为台湾传仕减速机87以内台湾传仕减速机,三段比为7569以内)。
抗过载能力强(台湾传仕减速机500%)传仕行星摆线齿轮由于采用了摆线会齿啮合台湾传仕减速机,实现了多齿同时啮合传动的能力,最高达67%,且避免了断齿的可能,所以摆线针齿结构具有其他减速机不能承受的抗过载能力台湾传仕减速机500%。
虽然它外型较轻巧,但是扭矩与受力绝不输给它种减速机,它具有下列特色:
低噪音及运转轻巧与传统滑动啮合型相比较,摆线滚动啮合大大地降低了噪音及振动。
适合正、逆转及起动频繁等动作传仕摆线减速机皆控制在优良的公差范围内及低惯性知,故极适合用于正逆转及起动频繁的地方。
经济性因具有可靠性、耐久性及极低的维修费用,故具有经济性。
高品质精良的设备、优良的工程师及严格的品质控制。台湾传仕立式摆线马达减速机工作原理:传仕摆线减速机设计有三个主要组成部分:
1)入力(高速)轴组件及偏心凸轮,滚柱轴承和油封。
2)摆线齿轮
3)出力(低速)轴组件及支撑的轴承和油封。
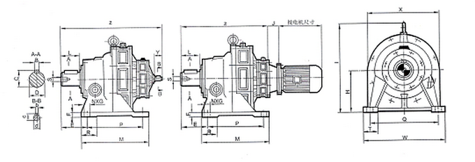
台湾传仕立式摆线马达详细图纸:
如图纸参数未能满足你的需要,你可以蒲江机电减速机销售人员,或拨打全国免费热线:4000--838--618