产品快速通道

蜗轮丝杆减速机JRSS-H系列

- 产品参数:
- 产品型号: JRSS-H
- 额定功率:null
- 电压:null
- 转速/极数:null
- 减速比:null
- 安装方式:null
详细参数
蜗轮丝杆减速机JRSS-H系列为非标准型丝杆减速机,减速机丝杆顶部为扁平状,蜗轮丝杆减速机有时也叫蜗轮丝杆减速器。主要部件为蜗轮和丝杆,与齿轮减速机有一定区别。当连接设备为常规蜗轮丝杆减速机连接设备时,可能需要考虑选择另一型号:蜗轮丝杆减速机JRSS-R系列.
产品规格35~150;传动比5~40;输入功率0.19~16.3KW;起升力500~26050kg。共10大规格280余种型式、传动比、联接、安装方式可供选用。
一:蜗轮丝杆减速机JRSS-H系列安装说明:
1:基本形式:螺母(蜗轮)转动丝杆上下移动,此为变通型升降机安装方式
*注意:丝杆在升降时,会产生旋转力,所以必须做好防止旋转的措施
2:止旋转造型:适用于顶端无连接下运转等各种不能实现防止旋转的场合。
3:若想在有限的空间增长行程,可选用活动螺母 (由用户自行设计制造配丝杆 )构造型。此构造为丝杆旋转,活动螺母移动。若行程较长时,轴端应采用支撑方式,可等到很好的传动效果。
二:蜗轮丝杆减速机JRSS-H系列产品说明:
1:JRSS系列蜗轮丝杆升降机(又名千斤顶);
2:具有结构紧凑,体积小的特点;
3:安装方便,形式多样。
4:可靠性高,寿命长。
5:具有起升,下降及借助辅件推进,翻转等多种功能;
6:可单台使用,也可多台组成使用;
7:动力源广泛,可用电动机或其它动力直接带动,也可以用手动;
8:通常用于低速重载的场合。广泛应用于冶金,机械,建筑,水利,医疗,化工等各个行业。
三:蜗轮丝杆减速机JRSS-H系列使用注意事项
1:请严格按承载能力表选择合适的速比和与之对应的具有充分裕度的载荷的升降机;
2:升降机工作时应控制减速机表面和升降螺母表面温度在
3:升降机不得连续运转,单台升降机的负荷时间率(T%)以30分钟为单位计算,不得超过20%;
负荷时间率T%=1动作周期的工作时间/(动作工作周期的工作时间+1动作周期的停歇时间)*100%
4:必须保证有充足的驱动源动力;
5:升降机理论上有自锁功能,但在振动冲击较大的场合会造成自锁功能失灵,请务必加制动装置;
6:升降机使用环境:
使用环境:室内无雨水侵入的场所
周围空气:灰尘为一般工厂状况
环境湿度:
相对湿度: 85%以下
7:升降机工作时一般不允许有横向载荷,若有横向载荷时,请加横向装置。
四:蜗轮丝杆减速机JRSS-H系列故障分析:
A:振动:
故障原因:
1:原动机与升降机连接不当
2:蜗轮副齿部磨耗或损伤
3:轴承磨损
4:螺栓松脱
对应解决办法:
1:调整到适当位置,重新正确固紧
2:更换蜗轮副(需要时可联系蒲江机电配合)
3:更换轴承
4:固紧螺栓
B:杂音:
故障原因:
1:轴承操作或间隙过大
2:蜗轮副啮合不良
3:润滑油(脂)过少
对应解决办法:
1:更换轴承
2:修整齿面或更换蜗轮副(请与蒲江机电联系)
3:补加润滑油(脂)
C:漏油:
1:油封唇口磨损
2:油封档轴颈磨损
对应解决办法:
1:更换油封
2:更换输入轴或蜗轮
D:蜗轮副齿面磨损过快
1:超负荷运转
2:润滑油(脂)不符合要求
3:润滑油(脂)过少
4:未按规定适时换油,滴滑油劣化
5:运转温度过高。
对应解决办法:
1:调整至适当负荷
2:按油品润滑更换滴滑油(脂)
3:补加润滑油(脂)
4:按规定要求适时换油
5:采取合适措施,降低环境温度。
E:丝杆副齿面磨损过快:
故障原因:
1:超负荷运转
2:润滑脂干枯或变质
3:有横向载荷
对应之解决办法:
1:调整至适当负荷
2:去污擦净,重新加润滑脂
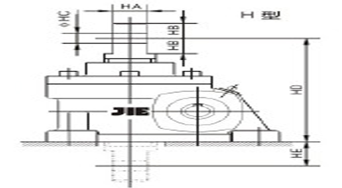
五:蜗轮丝杆减速机JRSS-H系列详细图纸: