产品快速通道

蜗杆减速机JRSTD系列

- 产品参数:
- 产品型号: JRSTD
- 额定功率:可匹配0.18KW~15KW
- 电压:null
- 转速/极数:null
- 减速比:1/7.5-1/100
- 安装方式:null
详细参数
蜗杆减速机JRSTD系列为单极蜗杆减速机,也叫蜗杆减速器或蜗杆减速箱。带有法兰盘。无减速机输出轴及输入轴,所以叫中空减速机。此减速机配件全部采用国家标准。性能足以与sew减速机相比美。
蜗杆减速机JRSTD系列使用说明:
一:单级蜗杆减速机
1 减速机型号25一90采用优质铝合金压铸箱体.外形轻巧美观.结构紧凑,体积小。重量轻,节省 安装空间。不易锈蚀。
2 减速机型号110一,50采用灰铸铁铝模铸造,外形美观坚固.可多方位安装使用。
3 散热性能好,安全可靠.效率高。
4 承载能力高,传动平稳,振动小,噪剖低。
5 具有动力输入及转矩输出的多种联接结构,满足多种联接需要;箱体外形设计及底脚孔设置布局适应多种安装方式,通用性强。
二:安装注意事项
1 减速机须安装在平整坚固的底座上,底脚螺栓必须紧固、防震。
2 原动机--减速机--工作机的各联接轴伸.安装后必须互相准确对准轴线。
3 减速机输入端及输出端轴伸外径尺寸公差按h6制作,与之相匹配的联轴器、皮带轮、链轮等传动件内孔需按合适的公差尺寸配置,避免装配过紧损坏轴承,装配过松影响正常的动力传递。
4 链轮、齿轮等传动件装上轴伸时,应尽量靠近轴承,以减少轴伸弯曲应力。
5 减速机装配电机时,应在蜗杆头部内孔孔壁及链槽处涂抹黄油,避免装西乙丈紧,防止轴孔日久生锈。
6 使用各类电机直联型减速机时.若电机重量偏大.应设支撑装置。
三:使用注意事项
1 使用前应注意检查减速机型式结构、中心距规格、传动比、输入轴联接方式、输出轴结构、输入轴输出轴轴指向和回转方向等是否符合使用要求,蜗杆输入转速最高不宜超过2000r/min。一般使用范围为600-1800r/min.
2 开机时应逐步施加载荷,不能满载起动。
3 型号25-90减速机仅设加油孔.出厂时减速机内已加好ISO VG320合成润滑油。用户无需加油.机器连续运转约10000小时后,应该更换新润滑油。
4 型号110-150减速机设有加油孔、放油孔和油标,减速机内已加ISO VG460矿物润滑油,用户在使用前须拉掉通气器上的栩胶环。首次运行500小时后更换新油.以后每隔约5000小时换油一次。
5 减速机允许最高油温为95,超过时应停机检查。
6 若减速机使用环境温度超过或低于表中规定使用环境温度
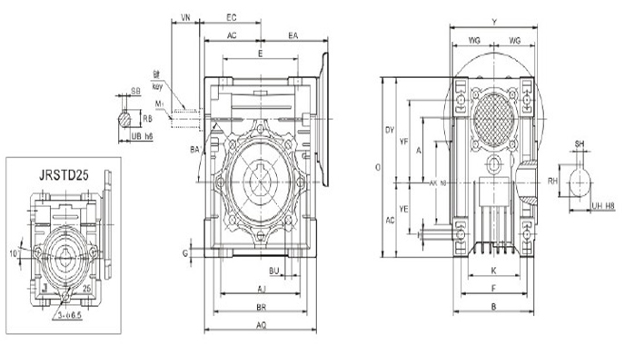
产品规格25~150;传动比单级7.5~100,双级300~5000;输入功率0.06~15KW;输出转矩7~1788N﹒m。共10大规格22000余种型式、传动比、联接、安装方式可供选用。产品规格25 30 40 50 63 75 90 110 130 150传 动 比单 级7.5 10 15 20 25 30 40 50 60 80 100双 级300 400 500 600 750 900 1200 1500301 1800 2400 3000 3200 4000 4800 5000
蜗杆减速机JRSTD系列详细参数: