产品快速通道

蜗轮蜗杆减速机JRST..-W系列

- 产品参数:
- 产品型号: JRST..-W
- 额定功率:可匹配0.18KW~15KW
- 电压:null
- 转速/极数:null
- 减速比:1/7.5-1/100
- 安装方式:null
详细参数
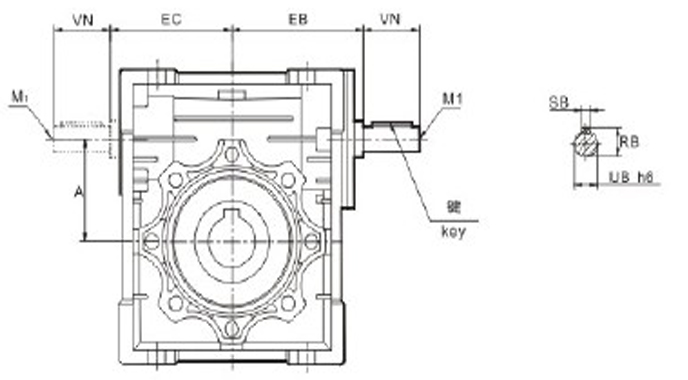
蜗轮蜗杆减速机JRST..-W系列带一入力轴,采用法兰安装方式,此法兰为方形法兰,电机法兰多为圆形,购买蜗轮蜗杆减速机JRST..-W系列时需要确认自己的其它设备是否为这样的安装方式。有时也叫其蜗轮蜗杆减速器或蜗轮蜗杆减速箱。
蜗轮蜗杆减速机JRST..-W系列详情:
1. 产品定位等同于MOTOVARIO产品质量。
2. 箱体采用优质铝合金压力铸造,强度高。
3. 减速机蜗杆采用全功能数控车床加工蜗杆齿坯,优质低碳合金钢渗碳淬火,确保齿坯加工精度和蜗杆强度。
4. 减速机采用欧洲技术,结构紧凑,体积小,重量轻,噪音低,效率高,承载能力大。
5. 减速机具有多种联接结构和安装方式,通用性强。
蜗轮蜗杆减速机JRST..-W系列维护说明:
一:安装
1:减速机入力轴直接与马达连接时,应采弹性连轴器,出力轴直接与工作机连接时,宜采用齿轮连轴器。
2:减速机应安装在稳固的基础座,且须注意空气流通及换油时,注油及洩油之方便性。
3:减速机入力轴及马达出力轴之中心必须对准确,误差不得大于所用连轴器之允许值。
4:减速机安装后,用手转动需灵活,不可有卡死现象。
5:减速机安装好,使用前应先进行空负荷运转,确定机器各部分都无异状后,方可正式使用,如有故障应先排除。
二:润滑。
1. 新减速机使用时,在运转300小时后,需要换新油,其后每使用2500小时需换油;但在使用过程中仍应定期检查油的质量,若油有杂质,老化,变质情况,必须随时更换。
2. 减速机应使用固定品牌,号码之齿轮油,不应将不同品牌,号码或不同类型的油相混合使用。
3. 在换油过程中,应先将减速机内部清除干净,再注入新油。
4. 在使用期间,当发现油温过高(超过80。C以上)时,以及有不正常的噪音等现象,应立即停止使用,对其原因进行检查。等排除故障或更换润滑油后,才可以继续使用。
5. 推荐用油:ISO HD—460极压机油或中油HD—320之极压机油,或中油90#多效齿轮油。
三:检修
1. 减速机应定期检修,发现异状或有显著磨损,必须立即采取有效措施制止,使用零件之材质,精度亦须按照标准制造。更新零件手,应先进行空负荷运转,确定正常后再正式使用。使用单位应建立合理的维护制度,封减速机的使用状况及检修中发现的问题做仔细记录。
蜗轮蜗杆减速机JRST..-W系列详细参数: