产品快速通道

硬齿面减速机JRTS系列

- 产品参数:
- 产品型号: JRTS
- 额定功率:0.12~250KW
- 电压:null
- 转速/极数:null
- 减速比:6.8~11267
- 安装方式:null
详细参数
硬齿面减速机JRTS系列齿面为硬齿面,齿轮结构为斜齿轮。斜齿轮--蜗轮蜗杆减速电机。有时也叫硬齿面减速器也减速马达,有底脚安装,法兰安装等多种安装方式。硬齿面减速机JRTS系列为最常见的传动结构。
硬齿面减速机JRTS系列设计方案:
JRTS..D..:底脚安装斜齿轮--蜗轮蜗杆齿轮减速电机
JRTSF..D..:法兰盘安装斜齿轮--蜗轮蜗杆减速电机
JRTSAF..D..:B5法兰空心轴安装斜齿轮--蜗轮蜗杆齿轮减速电机
JRTSHF..D..:B5法兰空心轴锁紧盘安装斜齿轮--蜗轮蜗杆齿轮减速电机
JRTSA..D..:空心轴安装斜齿轮--蜗轮蜗杆齿轮减速电机
JRTSAZ..D..:B14法兰空心轴安装斜齿轮--蜗轮蜗杆减速电机
JRTSAZ..D..:B14法兰空心轴锁紧盘安装斜齿轮--蜗轮蜗杆齿轮减速电机
JRTS斜齿轮蜗轮蜗杆减速电机底脚安装斜齿轮-蜗轮蜗杆齿轮减速电机。有双轴,单轴,出力法兰,入力法兰等。斜齿轮蜗轮蜗杆减速电机产品规格17~187;传动比1。3~289。74;输入功率0。12~200KW;输出转矩14~62800N . M。共四大系列上千万种不同的规格、传动比、联接方式可供选用.
硬齿面减速机JRTS系列使用说明:
1.1安装注意事项
11.1 减速机须安装在平整坚固的底座上,底脚螺栓必须紧固、防震。
1.2使用注意事项
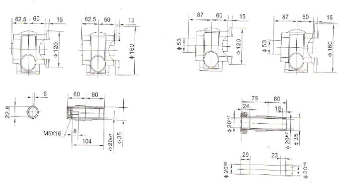
硬齿面减速机JRTS系列详细图纸: